尊龙官方

Prismatic power battery laser and winding integrated machine

Prismatic power battery laser and winding integrated machine

首页| 尊龙集团中国官方网站

Efficiency:

6ppm(Length of electrode: 16m)

首页| 尊龙集团中国官方网站

Linear speed :

Max3000mm/s

首页| 尊龙集团中国官方网站

This equipment integrates laser tab forming and automatic winding. Its main functions include automatic roll changing, multi-stage dust removal for electrode, laser cutting of tabs, CCD defect detection, application of protective adhesive tape to the front and end of the cathode electrode, CCD Overhang detection, round needle winding and unloading, application of terminal adhesive tape, cold pressing and shaping of the cell, Hi-pot testing, and CCD appearance inspection of the cell. With the support of advanced algorithm control, it enables closed-loop adjustment of tab spacing, segmented automatic tension control, and closed-loop alignment control of the winding process.

Equipment parameters:

Equipment model YWPB300K
Compatibility range mm H:80-270 W:100-300 T:10-40 TH:≤35
Tab misalignment ≤±2mm
Laser cutting burrs <10μm
Efficiency 6ppm Length of electrode: 16m
Qualification rate ≥99.5%
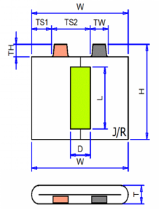
Cell diagram
首页| 尊龙集团中国官方网站

Equipment Parameters

Equipment model

YWPB300K


Cell diagram

Compatibility range

H:60-280mm;; ;;;

W:80-320mm

T:10-40mm;; ;;;

TH≤40mm

图片1.png

Tab misalignment(mm)

≤±5

Tension fluctuation

<±3%

Laser cutting burrs(μm)

<10

Efficiency

6ppm

(Length of electrode: 16m)

Qualification rate≥99.5%

Related Products

  • High-speed HEV fully automatic winding machine

    High-speed HEV fully automatic winding machine

    This equipment is mainly used for fully automatic winding of low-capacity battery. It features online overhang detection and closed-loop control. After cold pressing for pre-shaping and Hi-pot (high voltage) test, the discharging is completed through the conveyor.

  • 3C electrode-making integrated machine

    3C electrode-making integrated machine

    This equipment is suitable for the fully automated winding of prismatic 3C lithium-ion batteries. It features CCD online detection of various data and closed-loop control. After the cell flattening and Hi-pot testing, the cells are unloaded from a conveyor belt.

  • Prismatic power battery winding machine

    Prismatic power battery winding machine

    The equipment is mainly used for the fully automated winding of power batteries, with online overhang detection and closed-loop control. After cold pressing, pre-shaping, and Hi-pot testing, the material is unloaded via a conveyor belt.

首页| 尊龙集团中国官方网站

INQUIRY

Sourcing

Requirements

首页| 尊龙集团中国官方网站

Contact

Please fill out the form below to contact us.

First Name *
Last Name *
Company *
Job Title *
Country / Region *
Business Email *
Mobile Phone *
Product / Solution of Interest *
I have read and agree Privacy Policy .

Please fill out the form to access information

首页| 尊龙集团中国官方网站
首页| 尊龙集团中国官方网站
I have read and agree to thePrivacy Policy
网站地图